
在数字货币的范畴内,安全性始终是大家极为关注的重要方面。像那种能够让数字货币被使用两次的攻击这类威胁到数字货币安全的问题,是非常值得去进行深入探讨的。一方面要确保数字货币不会被篡改,另一方面要杜绝因为可复制而引发的花两次攻击的风险,这是一个既存在技术方面的挑战,又涉及到用户信任的关键问题。
数字货币的可复制风险
在数字货币的世界里,签名能够保证内容不被篡改。然而,数字货币本质上是文件,这一特性使得它可以被复制,也就容易引发花两次攻击。这种情况就像是悬在数字货币头顶上的一把利剑。比如说,在一些场景中,如果没有有效的防范手段,同一种数字货币可能会被多次使用,进而破坏数字货币的交易体系。在数字经济越来越发达的现在,像在网络购物中,如果数字货币能够被这样滥用,那么整个交易市场将会陷入混乱。

现实中,许多新兴的数字货币都遭遇这个状况。如果花两次攻击难以被遏制,就会给众多使用者带来极大损失,导致信任体系瓦解,进而对人们对数字货币发展的信心造成打击。
数字货币的编号与归属权
仅靠面额来确定数字货币是不行的,编号是必不可少的。就以央行为例,它得维护数据库,记录编号与用户的归属关系。这个流程非常重要,在支付环节,不但要验证签名是央行签署的,而且只有在央行确认了归属权之后,才可以转移所有者。如果没有这样严谨的流程,数字货币的交易就会缺乏公信力。

在实际的市场活动中,企业参与数字货币交易时,只有归属权明确,每一笔交易才能有据可查。比如一家全球跨国企业进行大额数字货币交易,倘若没有严格的归属权认证,就很容易引发纠纷,这对全球贸易以及金融体系中的数字货币应用推广是不利的。
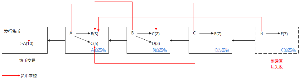
BTC系统的交易结构
BTC 系统中,交易分为输入部分和输出部分。输入部分包含了 BTC 的来源以及付款的公钥,输出部分则包含了收款人的公钥哈希值。这种结构有助于提高交易的安全性。例如,在对交易进行溯源检查时,如果发现区块间的交易存在异常,就能够及时判定该交易为非法。

如果有人试图进行恶意篡改交易,例如 B 想转走 A 的 BTC。那么这种结构会使得伪造的公钥的哈希无法与原公钥的哈希相匹配,从而能够阻止这种攻击。这就如同一个精细的防护网一样,能够确保交易沿着正确的轨道进行,对比特币系统的安全和稳定起到保护作用,让参与交易的人可以放心地进行交易。
公钥验证流程
公钥验证具有重要性。在 BTC 系统中,需要把当前交易的输入脚本和来源交易的输出脚本进行拼接并验证。这是一个严谨的流程,如同密码锁的多重密码验证那样,只要有一点点差错就会被判定为非法。
从用户的视角来看,在进行数字货币交易的时候,系统会自动去执行这个验证操作,目的是确保不会有非法交易出现。就像在个人与个人进行比特币交易的情况里,通过双方的公钥验证,能够保障交易是在合法合规的框架内进行的,从而对双方的权益起到保护作用。

轻结点问题
轻结点没有块身,也就无法独自去验证交易的合法性。这在一定程度上成为了 BTC 系统的一个较为薄弱的环节。轻结点有可能出现在许多普通用户所使用的场景里,倘若它不能对交易的合法性进行独立判断,那么对于数字货币的广泛应用而言,将会是一个挑战。
在一些偏远的地方或者网络状况不佳的区域,轻结点的使用或许会更常见。要是出现安全问题,这些地区的用户权益很难获得保障,同时也有可能会对整个 BTC 网络的稳定性以及可信度产生影响。
女巫攻击风险
在 BTC 系统里,账户创建比较简便。这样一来,恶意者有可能实施女巫攻击。他们通过不断制造账户,从而获取投票权,进而控制区块链。这就如同民主选举中的舞弊现象一样,会破坏整个系统的公正性。
以某小型数字货币社区为例,若被恶意者运用这种攻击手段,那么整个社区的规则会被操纵,其发展方向也会被操控。这会对众多合法用户的权益构成威胁,同时也会对整个数字货币系统生态的健康发展产生不良影响。
数字货币的安全与众多使用者的利益相关,它是数字金融健康发展的重要保障。当你在使用数字货币或者关注其发展时,你最为担忧的安全问题是什么?希望你能在评论区留言进行分享,同时也请点赞并转发本文,让更多人重视数字货币的安全问题。
