imkeo.app,tp117.app,btp3.app,tp114.app,bit114.app,tp115.app,bit115.app,imkei.app,tp116.app,btp1.app,btp1.app,im777.app,im555.app,im222.app,im666.app,im444.app,tcoken.im,im333.app,im83.app,tp666.app,tp77.app,tp11.app,tp666.app,tp99.app

在当前电力交易模式下,电价等关键信息的保密性备受关注。交易中涉及的企业和用户利益至关重要,如何在保护电价隐私的同时,保证电费计算和监管的准确性,是一个不小的难题。
分布式电力交易主体
分布式电力交易系统涉及四个主要参与者。首先是分布式发电企业,比如一些小型太阳能电站,它们靠近电力用户,提供能源服务,并活跃于电力交易区块链系统。据2019年的调查,许多这类企业正致力于保存整个网络的账本。另外,运营商负责提供交易和传输服务,同样保存账本,并承担电费结算等任务。有报道指出,某地一家运营商因电费结算失误而遭到投诉。
电力用户是获取能源服务的一方,他们的权益与交易电价紧密相连。能源监管部门作为所有环节的参与者,负责保管账目并有权对数据进行审核。以2022年某地区为例,监管机构强化了对交易电价的审查力度,目的在于维护市场秩序。
隐私风险现状
现在,在分布式电力交易中,电价这类敏感信息很容易被透露出去。电力交易包含众多步骤和大量数据交流,其中电价等数据是企业和用户的私密信息。一旦这些信息泄露,可能会引发不正当竞争等负面结果。比如,某个地区曾传出电价数据泄露的消息,随后就有企业恶意降价进行竞争。而且,由于隐私保护措施不足,发电企业和用户陷入了非常被动的局面。
运营方的结算任务会遭受干扰,若缺乏恰当的隐私保障,计算过程中数据遭篡改的风险极大,这将对各方的利益造成损害。
区块链技术的切入
区块链技术是解决这一问题的关键。它具备去中心化、不可篡改等特点。在电力交易领域,如采用联盟链模式,各节点共同维护这一技术。自2020年以来,越来越多的电力交易开始尝试运用区块链技术。

结合同态承诺等密码学技术至关重要。这些技术能够对交易电价等敏感信息进行加密等操作。比如,运用同态承诺技术,即便在加密过程中也能完成数据计算,从而保障数据隐私不被泄露。
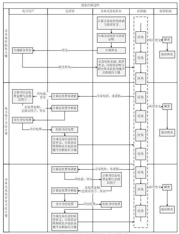
隐私结算过程
这里涵盖了系统启动和三个业务应用场景。在启动过程中,联盟链的委员会节点需共同商议设定相关参数。2021年,有些节点因参数商议不统一,导致启动过程出现了延误。
交易电价隐私上链环节涉及多个环节。比如,在协商承诺计算阶段,发电企业与电力用户达成一致后进行承诺计算。在密文计算过程中,必须遵循既定算法进行计算,一旦计算出现差错,上链操作便会失败。至于电力用户月结计费环节,它包括数据获取和结算等多个步骤。有运营商曾因数据获取不完整,导致用户月结计费出现错误,而后续的各个环节都紧密相连。
技术保障要求
交易电价隐私上链时,加密信息必须满足特定标准。必须确保加密信息与承诺的电价一致,且在验证过程中不得泄露任何信息。零知识证明技术在其中扮演了核心角色。例如,在某个测试项目中,零知识证明技术成功实现了既保护隐私又能准确验证的功能。它通过独特的交互流程,使验证者能够确认数据的准确性,而对数据的具体内容却一无所知。
未来发展期望
长远考虑,若基于区块链的隐私保护电费结算系统能够得到全面推广并完善,对电力交易市场将带来重大变革。这将使更多交易主体安心参与,并让监管机构更高效精准地执行监管任务。未来,新密码学技术的融入有望进一步提高其性价比与安全性。以2023年的发展态势来看,技术仍在持续进步,期待该机制更加成熟与完善。
您觉得这种将区块链技术与隐私保护相结合的电费结算方式,何时能全面推广开来?期待您的意见、点赞以及转发。

imkeo.app,tp117.app,btp3.app,tp114.app,bit114.app,tp115.app,bit115.app,imkei.app,tp116.app,btp1.app,btp1.app,im777.app,im555.app,im222.app,im666.app,im444.app,tcoken.im,im333.app,im83.app,tp666.app,tp77.app,tp11.app,tp666.app,tp99.app